Navighează la conținutul principal
OLX Christmas Logo
Chat

Notificari

Adaugă anunț nou
NU Casa Verde = Autoconsum invertor panou solar apa calda incalzire
NU Casa Verde = Autoconsum invertor panou solar apa calda incalzire
NU Casa Verde = Autoconsum invertor panou solar apa calda incalzire
NU Casa Verde = Autoconsum invertor panou solar apa calda incalzire
NU Casa Verde = Autoconsum invertor panou solar apa calda incalzire
NU Casa Verde = Autoconsum invertor panou solar apa calda incalzire
Postat 14 decembrie 2025

NU Casa Verde = Autoconsum invertor panou solar apa calda incalzire

499 lei

PromoveazăReactualizează

Persoana fizica

Stare: Nou

Livrare cu verificare

Descriere

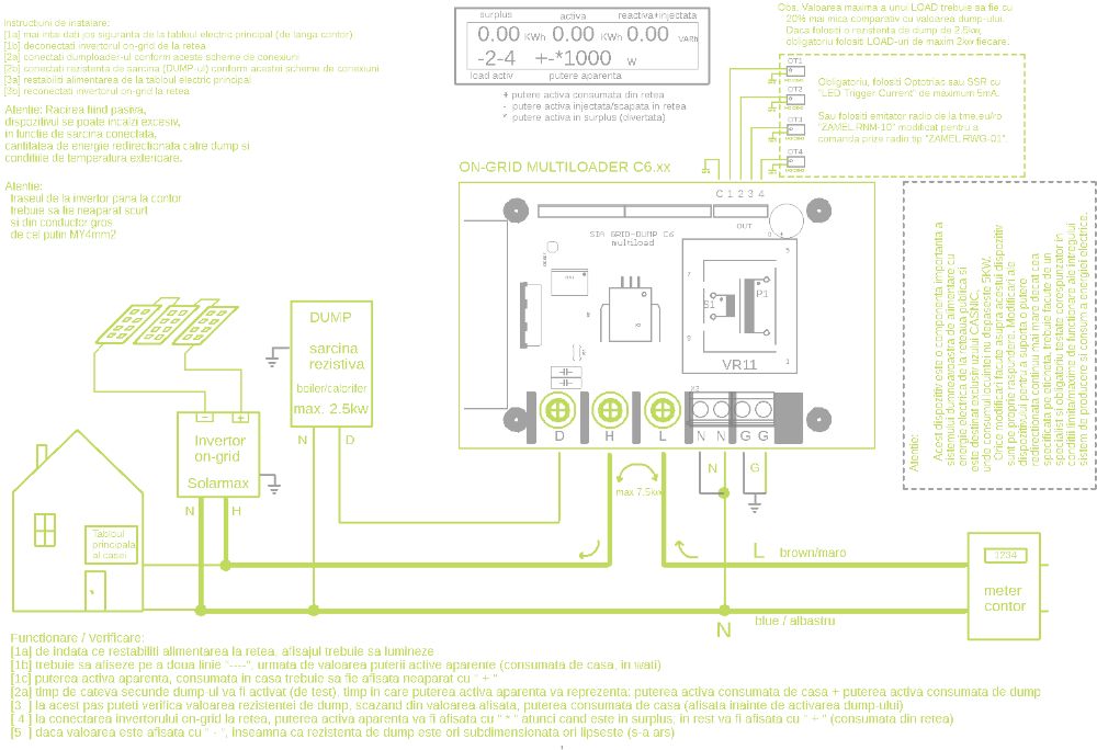
Alternativa la contract de prosumator pagubos = Autoconsum (consumarea surplusului).

Multiloader pentru redirectionarea surplusului de energie de la panourile fotovoltaice catre un consumator/boiler, pentru apa calda.

Schema de conexiuni este in poza 5

Garantie 1 an

STOC: 1 buc

info: este un produs cu traditie si il primiti direct de la producator. Comandati cu incredere prin olx.
ID: 67716858

Contactează vânzătorul

Iulian

Pe OLX din iulie 2013

Activ ieri la 20:33

xxx xxx xxx

Retururi

Cumpărături sigure, retururi simple

Dacă produsul nu corespunde așteptărilor tale, îl poți returna gratuit în momentul primirii sau poți folosi procesul de returnare. Detalii

Localitate

Descarca aplicatia pentru telefonul tau