Navighează la conținutul principal
Chat

Notificari

Adaugă anunț nou
Catia si AutoCAD
Catia si AutoCAD
Catia si AutoCAD
Catia si AutoCAD
Catia si AutoCAD
Catia si AutoCAD
Catia si AutoCAD
Postat 08 noiembrie 2025

Catia si AutoCAD

PromoveazăReactualizează

Persoana fizica

Descriere

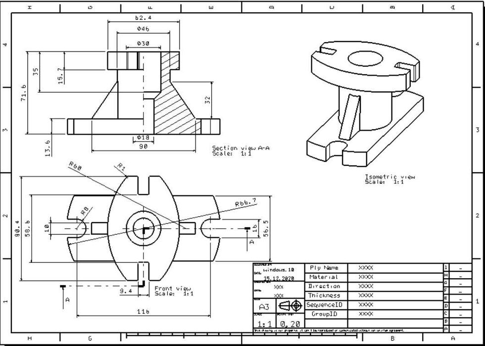
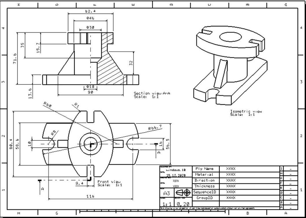
Modelări piese Catia V5R20 (Part design, Assembly, Drawing)

Prelucrări NC Machine Tool Simulation. (strung / freză)

DMU KINEMATICS SIMULATOR

Ofer meditații la cerere în Catia și AutoCAD, chiar și de la zero ( dacă este cazul )

Ofer suport proiecte TCM.
ID: 272242678

Contactează vânzătorul

Facebook connected icon

Catalin

Pe OLX din decembrie 2016

Activ pe 14 noiembrie 2025

xxx xxx xxx

Localitate

Descarca aplicatia pentru telefonul tau